French benchmark transformer and circuit breaker
MODELS D165T – D265T
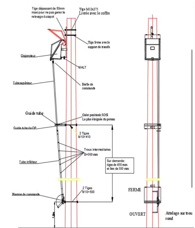
The D165T – D265T pole-mounted distribution transformer protection circuit-breakers, for top or mid-pole mounting and for 50, 100 or 160kVA transformers, are designed for low voltage overhead protection.
They protect against overloads and short-circuits as well as phase unbalance. Its double tripping device allows it to trip, automatically resetting itself to allow reconnection (closing of the network) without having to carry out any maintenance.
The D165T – D265T pole-mounted distribution transformer protection circuit-breakers, for top or mid-pole mounting and for 50, 100 or 160kVA transformers, are designed for low voltage overhead protection.
They protect against overloads and short-circuits as well as phase unbalance. Its double tripping device allows it to trip, automatically resetting itself to allow reconnection (closing of the network) without having to carry out any maintenance.
- ← Previous:No More
- No More:Next →
Yueqing Longchen Electrical Co.Ltd.


